廃油ストーブ第二弾計画。
前回書いた画像…
ここから更に燃焼安定方法を考える。
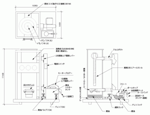
廃油ストーブのメーカーHPに略図があったので拾ってきた。
メーカー品は一次燃焼と二次燃焼で吸気量を変更できる構造らしい。
現在の廃油ストーブの構造だと燃料供給量を減らすと一次燃焼で終わってしてしまって上まで炎が回らない。
そして空気を減らすと二次燃焼部分に空気の流速が足りない…
といった感じになってしまっているのがコレで解決できそう。
作るのは面倒くさいけど吸気は二種類に分けるのは決定で行こうと思う。
次に一般的なポット型廃油ストーブの形状をチェック。
石油ストーブの場合は炎を回転させる事をしていないのが気になる…
一次と二次の間に石油ストーブみたいに内側へ向かう燃焼を入れてみたらどうだろうか…
しかし、手持ちのものでこの形状作るのはちょっと面倒だな…
あと、オイルエレメントを燃やすために一次燃焼室と二次燃焼室の間にロストルを設置したい。
一次燃焼室にオイルエレメントがあると廃油の気化の邪魔になってしまう…
いろいろ複雑になってしまうな~
とりあえず中間の燃焼はおいておいて…こんな感じで作ってみようかな…











ディスカッション
コメント一覧
まだ、コメントがありません